7RWWMS - Weld X Weld X Tri-Clamp Short Outlet Reducing Tee - Polished
7RWWMS - Weld X Weld X Tri-Clamp Short Outlet Reducing Tee - Polished - 1-1/2" X 1" is backordered and will ship as soon as it is back in stock.
Couldn't load pickup availability
Description
Description
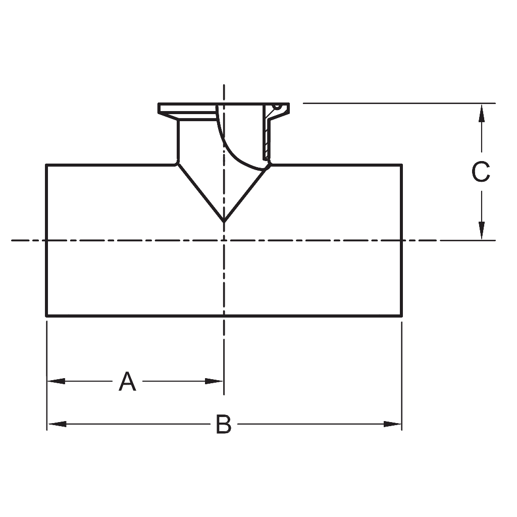
The 7RWWMS Weld X Weld X Tri-Clamp Short Outlet Reducing Tee is a sanitary fitting that is welded into permanent piping systems. This tee has two butt-weld ends and one reduced size Tri-Clamp end. The branch of the tee is shortened making it appropriate for applications with limited space. The 7RWWMS is constructed of 316L stainless steel and is polished to 32Ra ID/OD.
| Tube O.D. | A | B | C |
| 1-1/2" X 1" | 1.66 | 3.31 | 1.37 |
| 2" X 1" | 2.06 | 4.12 | 1.62 |
| 2" X 1-1/2" | 2.06 | 4.12 | 1.62 |
| 2-1/2" X 2" | 2.34 | 4.69 | 1.87 |
| 3" X 1-1/2" | 2.59 | 5.19 | 2.12 |
| 3" X 2" | 2.59 | 5.19 | 2.12 |
| 4" X 1-1/2" | 3.44 | 6.87 | 2.62 |
| 4" X 2" | 3.44 | 6.87 | 2.62 |
| 4" X 3" | 3.44 | 6.87 | 2.62 |
Manuals
Manuals
No manual available for download.

