Description
Description
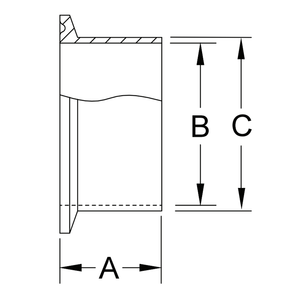
The Tri-Clamp Long Weld Ferrule is a sanitary fitting constructed of 304 or 316L stainless steel, and is available in sizes ranging between 1/2" and 12". It is 3A certified for use in food and beverage processing industries.
| Size (Tube OD) | Dimensions | ||||
|---|---|---|---|---|---|
| A | B | C | |||
| 1/2" | 1.12 | 0.37 | 0.50 | ||
| 3/4" | 1.12 | 0.62 | 0.75 | ||
| 1" | 1.12 | 0.87 | 1.00 | ||
| 1-1/2" | 1.12 | 1.37 | 1.50 | ||
| 2" | 1.12 | 1.87 | 2.00 | ||
| 2-1/2" | 1.12 | 2.37 | 2.50 | ||
| 3" | 1.12 | 2.87 | 3.00 | ||
| 4" | 1.12 | 3.83 | 4.00 | ||
| 5" | 1.12 | 4.83 | 5.00 | ||
| 6" | 1.50 | 5.78 | 6.00 | ||
| 8" | 1.50 | 7.78 | 8.00 | ||
| 10" | 1.75 | 9.78 | 10.00 | ||
| 12" | 1.75 | 11.78 | 12.00 | ||
Manuals
Manuals
No manual available for download.


