Description
Description
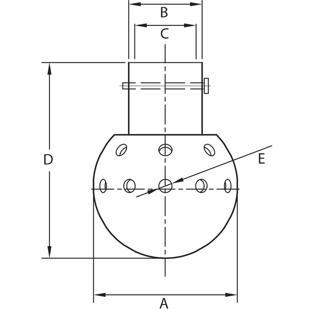
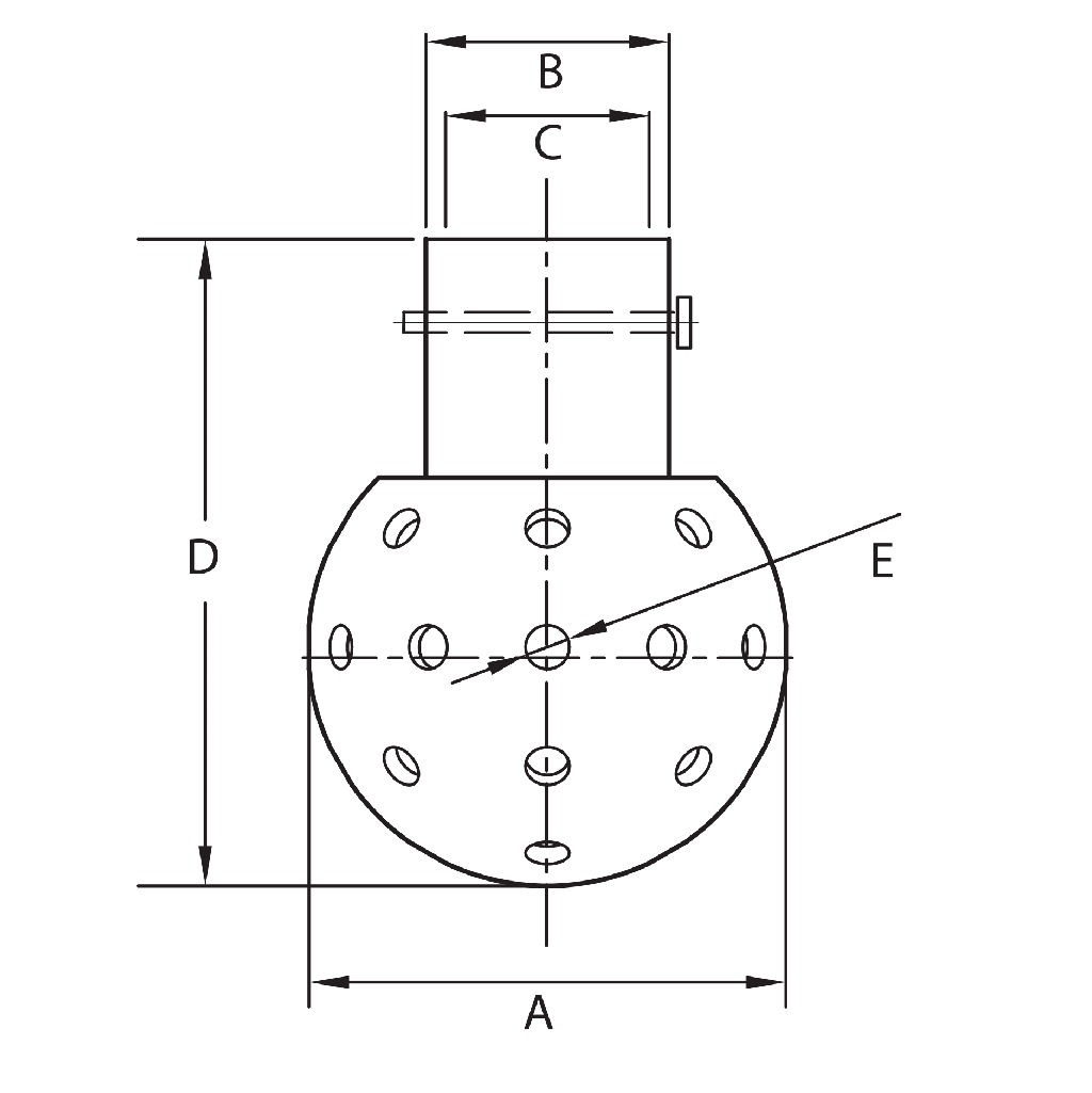
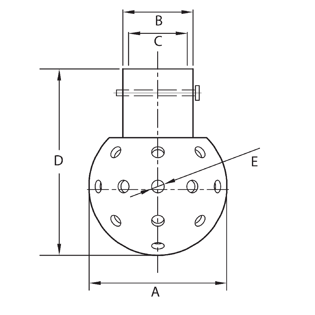
The stainless steel stationary spray ball is designed to clean tanks and other processing equipment. This spray ball has a butt weld end with a pin that is used to secure it into place on tubing. The static spray ball is available in two different sizes and in three different spray patterns. A streamline design with minimal moving parts, makes this spray ball sanitary, easy to clean, low maintenance, and extremely durable. An efficient spray ball cleans better with less water than manual cleaning.
Stationary Spray Ball Spray Patterns:
Three different spray patterns are available for the stationary spray ball. Different spray patterns target different areas of the equipment, and it is essential to select the correct one for an application.
360° spray pattern sprays in all directions creating a sphere and cleaning the entire tank. This is the standard spray pattern for CIP as it cleans the entire tank or piece of equipment.
180° bottom spray pattern creates a cone shaped spray pattern that targets the lower walls and bottom of the tank or equipment. This spray ball is often mounted at the bottom of tank.
180° top spray pattern creates a targeted spray pattern that cleans the ceiling and upper walls of the tank or equipment. This pattern is used in applications where only the upper half of the equipment needs cleaning, or if the bottom of the tank is obstructed, such as tanks with an agitator.
Stationary Spray Ball Specifications
| Tube O.D. | A | B | C | D | E | Pressure (PSI) | Cleaning Radius (Ft) | Flow Rate 360/180 |
| 1" | 2.08 | 1.18 | 1.03 | 2.91 | 0.07 | 36 | 3 - 4 | 75 / 44 |
| 1-1/2" | 2.48 | 1.67 | 1.51 | 3.18 | 0.08 | 36 | 4 - 6 | 101 / 75 |
Manuals
Manuals
No manual available for download.





