We ship with FedEx across the USA and Canada

14MPW - Tri-Clamp Heavy Duty Tank Ferrule

(0) • No Reviews
$16.73
SKU: FI/14MPW-.50-6

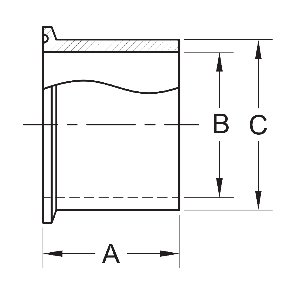
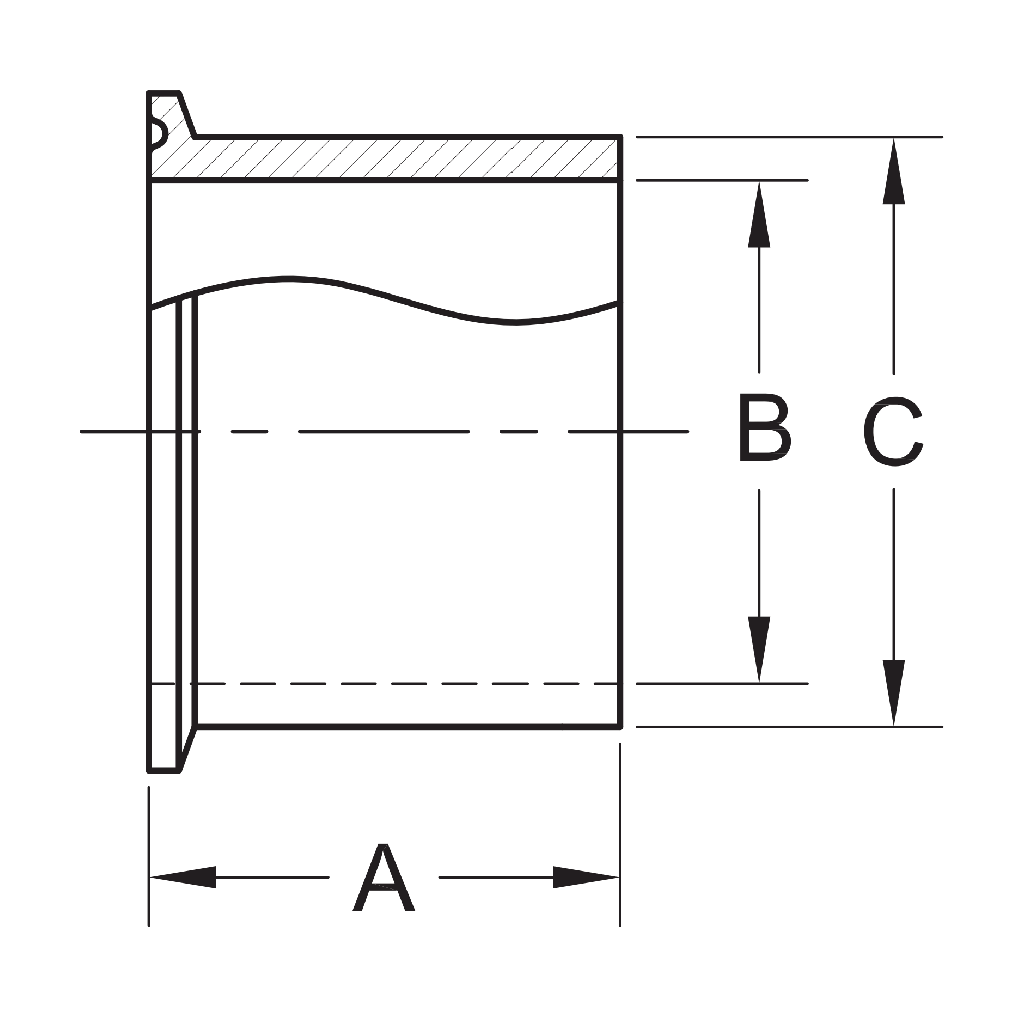
The 14MPW Tri-Clamp Heavy Duty Tank Ferrule features a thicker wall allowing it to withstand heavier loads. The tank ferrule is designed to make connections between Tri-Clamp and butt-weld ends. This sanitary fitting is 3A certified and is available in 316L or 304 Stainless steel. 

Description

The 14MPW Tri-Clamp Heavy Duty Tank Ferrule features a thicker wall allowing it to withstand heavier loads. The tank ferrule is designed to make connections between Tri-Clamp and butt-weld ends. This sanitary fitting is 3A certified and is available in 316L or 304 Stainless steel. 

Tube O.D. A  B C
1/2" 1.62 0.32 0.50
3/4" 1.62 0.57 0.75
1" 1.62 0.87 1.16
1-1/2" 1.62 1.37 1.68
2" 1.75 1.87 2.19
2-1/2" 1.75 2.37 2.71
3" 1.81 2.87 3.22
4" 2.12 3.83 4.26
6" 2.50 5.76 6.19
8" 2.50 7.76 8.19

Manuals

No manual available for download.

Reviews (0)