Wilden PS8 (2") Saniflo Hygienic AODD Pump
Wilden PS8 (2") Saniflo Hygienic AODD Pump - Stainless Steel / Traditional Diaphragm (Sanitary EPDM) / Stationary Stand is backordered and will ship as soon as it is back in stock.
Couldn't load pickup availability
Description
Description
The PS8 Saniflo Hygienic pump is a stainless steel AODD pump designed for use in a variety of sanitary applications across a variety of processing industries, including dairy, meat, food, beverage, and personal care. The Saniflo hygienic AODD is designed to prioritize sanitation and safety; it is ATEX certified, FDA compliant, and certain configurations are 3A certified and CIP compatible. The optional swivel stand lets you tilt the pump to ensure that it fully drains after use and after CIP; the swivel stand is required to meet 3A standards and be CIP compatible. The Integral Piston Diaphragm (IPD) is 3A certified, while the others are FDA certified. Wilden redesigned the fluid pathways for the Hygienic series, creating a free-draining flow path that removes all trap points in the standard design. This prevents damage from abrasive products and prevents product compression, while preserving the integrity of the product. The PS8 features Wilden's innovative Pro-Flo SHIFT technology; a new air intake design that reduces air usage and saves air, energy, and money. The Pro-Flo SHIFT reduces air use by up to 60% while maintaining the same flow rate. The hygienic Saniflo pump is the ultimate sanitary pump. It preserves the integrity of the product, uses minimal air, and is certified for use in a range of sanitary applications including in potentially explosive environments.
The Wilden pump lines are highly customizable. If you require a specific configuration or help tailoring the PS8 to your application, please contact our sales team. Please refer to product specifications for our standard configurations.
For 3A certification you must order an AODD pump with a swivel stand, Wil-Gard, and an IPD diaphragm.
PS8 Saniflo Diaphragms
The IPD diaphragm is the only 3A certified diaphragm. The other diaphragms are FDA compliant. Please select the swivel stand and IPD diaphragm if you intend to run CIP procedures or require 3A certification.
Other diaphragms are available upon request.
Traditional Diaphragm
Wilden's traditional "pie shaped" diaphragm is the industry standard for AODD pumps, it is durable and reliable. The traditional diaphragm comes standard in EPDM and Saniflex, but is also available in Wil-Flex, Polyurethane, Buna-N, Neoprene, and FKM upon special request.
Full-Stroke IPD
The Integral Piston Diaphragm (IPD) is a popular choice in the food, beverage, and chemical industries. This diaphragm does not have an outer piston, the piston is fully integrated into the diaphragm. It is ideal for applications involving abrasive product and harsh environments. The IPD meets higher sanitary standards as the integrated piston removes the cavity between the outer piston and diaphragm found in a traditional design. This also makes it easier to clean. Reduced stroke IPD is available upon request for applications with highly viscous products. The IPD diaphragm is available in Wil-Flex and Saniflex.
EZ-Install Diaphragm
The EZ-Install diaphragm is designed for applications where regular maintenance is required. The EZ-install diaphragm does not need to be inverted, making it easy to install as it can be accessed without specialty tools. Easier maintenance means less downtime, and lower maintenance costs. This diaphragm is a direct replacement for traditional diaphragms, with the same performance, durability, and footprint. The PS2 EZ-Install diaphragm comes standard in Wil-Flex but is also available in Saniflex, Polyurethane, and Bunalast.
PS8 Hygienic Saniflo Technical Specifications
- Wetted Parts and outer piston material: 316L Stainless steel
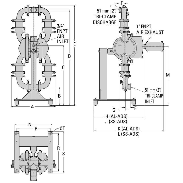
- Liquid Inlet: 2" (51 mm)
- Liquid Discharge: 2" (51 mm)
- Connection Type: Tri-Clamp
- Air Inlet: 3/4" FNPT
- Valve:
- Standard: Ball valve
- Special Order: Mushroom valve
- Special Order: Flap valve
- Max Diameter Solids:
- Ball Valve: 1/2" (12.7 mm)
- Mushroom Valve: 1/4" (6.4 mm)
- Flap Valve: 1-7/8" (47.5 mm)
- Max Pressure: 125 psi (8.6 bar)
| Diaphragm | Max Suction Lift Capability | Max Flow Rate | Displacement per Stroke | Temperature Range |
|
Traditional Diaphragm EPDM |
Dry: 13.6' (4.1 m) Wet: 29.5' (9 m) |
152 gpm (575 lpm) |
0.26 gal (1 L) |
-51 °C to 138 °C -60 °F to 280 °F |
|
Full-Stroke Integral Piston Diaphragm Saniflex |
Dry: 10.6' (3.2 m) Wet: 29.5' (9 m) |
148 gpm (560 lpm) |
0.26 gal (1 L) |
-29 °C to 104 °C -20 °F to 220 °F |
|
Full-Stroke Integral Piston Diaphragm Wil-Flex |
Dry: 10.6' (3.2 m) Wet: 29.5' (9 m)
|
148 gpm (560 lpm) |
0.26 gal (1 L) |
-50 °C to 130 °C -58°F to 266 °F |
|
EZ-Install Diaphragm Wil-Flex |
Dry: 13.1' (4 m) Wet: 29.5' (9 m)
|
141 gpm (534 lpm) |
0.26 gal (1 L) |
-50 °C to 130 °C -58°F to 266 °F |
|
Integral Piston PTFE |
Dry: 7.4' (2.3 m) Wet: 29.5' (9 m) |
116 gpm (439 lpm) |
0.14 gal (0.5 L) |
4°C to 104°C 40°F to 220°F |
|
Full-Stroke PTFE |
Dry: 12.7' (3.9 m) Wet: 29.5' (9 m) |
gpm (lpm) |
0.26 gal (1 L) |
4°C to 104°C 40°F to 220°F |
Specifications
Specifications
Manuals
Manuals
No manual available for download.




