Description
Description
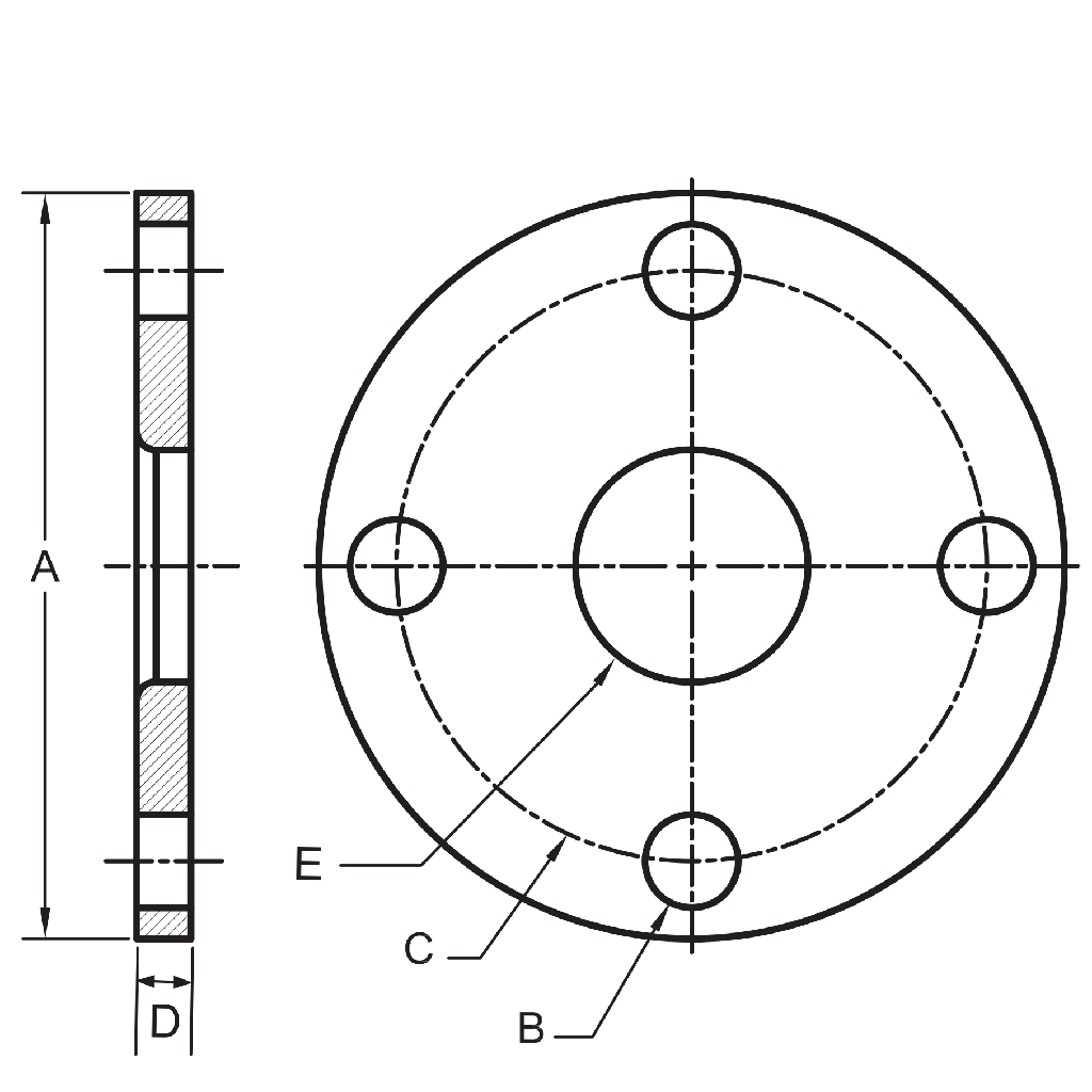
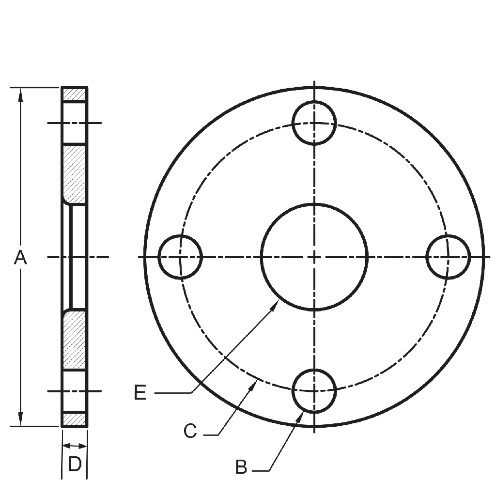
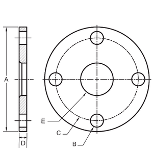
The 38SL Slip-On Tube Flange is a sanitary fitting that pairs with the 14VB Type A Stub End to create an adjustable flange connection. The stub end is welded to the tubing, and the slip-on tube flange is positioned onto the stub end allowing it to be rotated to the correct position for flexible installation. This flange has a standard size ASME 150 lb bolt pattern.
38SL Slip-On Tube Flange Technical Specifications
- Material: 316L Stainless Steel or 304 Stainless Steel
- Compatible with 14VB Type A Stub End
- Surface Finish: Machined to 32Ra
- Specification: ASTM A182
38SL Slip-On Tube Flange Measurements
| Tube O.D. | A | Bolt Hole (B) | Bolt Circle (C) | D | ID Bore (E) | # Bolt Holes |
| 1/2" | 3.50 | 0.62 | 2.75 | 0.50 | 0.56 | 4 |
| 3/4" | 3.87 | 0.62 | 2.75 | 0.50 | 0.81 | 4 |
| 1" | 4.25 | 0.62 | 3.12 | 0.50 | 1.06 | 4 |
| 1-1/2" | 5.00 | 0.62 | 3.87 | 0.50 | 1.56 | 4 |
| 2" | 6.00 | 0.75 | 4.75 | 0.50 | 2.06 | 4 |
| 2-1/2" | 7.00 | 0.75 | 5.50 | 0.50 | 2.56 | 4 |
| 3" | 7.50 | 0.75 | 6.00 | 0.50 | 3.06 | 4 |
| 4" | 9.00 | 0.75 | 7.50 | 0.50 | 4.06 | 8 |
| 5" | 10.00 | 0.87 | 8.50 | 0.50 | 5.06 | 8 |
| 6" | 11.00 | 0.87 | 9.50 | 0.50 | 6.06 | 8 |
| 8" | 13.50 | 0.87 | 11.75 | 0.50 | 8.06 | 8 |
| 10" | 16.00 | 0.98 | 14.27 | 0.50 | 10.06 | 12 |
| 12" | 19.00 | 0.98 | 17.00 | 0.50 | 12.06 | 12 |
Manuals
Manuals
No manual available for download.

