Description
Description
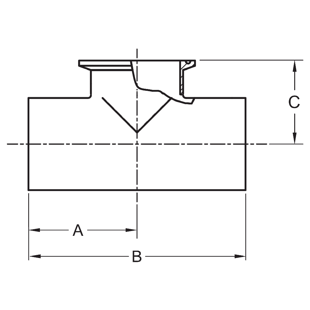
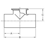
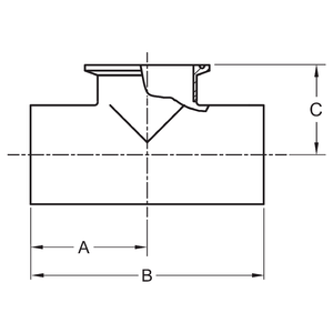
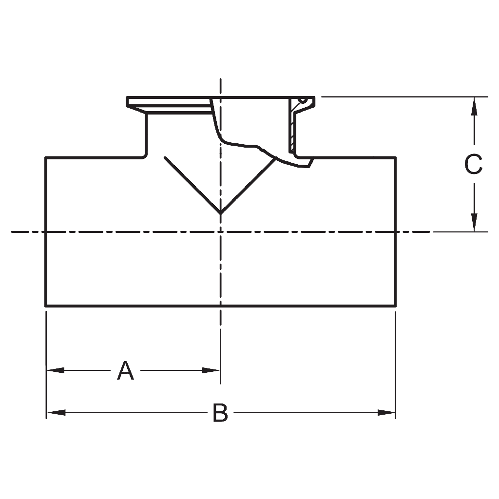
The 7WWMS Weld X Weld X Tri-Clamp Short Outlet Tee is a 3A certified sanitary fitting designed to be welded into permanent piping systems to connect tubing. This tee has two butt-weld ends and a branch with a Tri-Clamp end. The branches is shortened for applications with limited space. The 7WWMS is constructed of 316L stainless steel and is polished to 32Ra ID/OD.
This fitting is available in other sizes upon special request, please contact our sales team with any inquiries.
| Tube O.D. | A | B | C |
|
1-1/2" X 1" |
1.66 | 3.31 | 1.37 |
|
2" X 1" |
2.06 | 4.12 | 1.62 |
|
2" X 1-1/2" |
2.06 | 4.12 | 1.62 |
|
2-1/2" X 2" |
2.34 | 4.69 | 1.87 |
|
3" X 1-1/2" |
2.59 | 5.19 | 2.12 |
|
3" X 2" |
2.59 | 5.19 | 2.12 |
|
4" X 1-1/2" |
3.44 | 6.87 | 2.62 |
|
4" X 2" |
3.44 | 6.87 | 2.62 |
|
4" X 3" |
3.44 | 6.87 | 2.62 |
Manuals
Manuals
No manual available for download.

