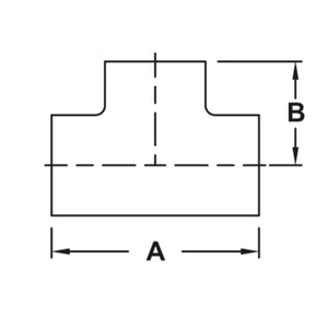
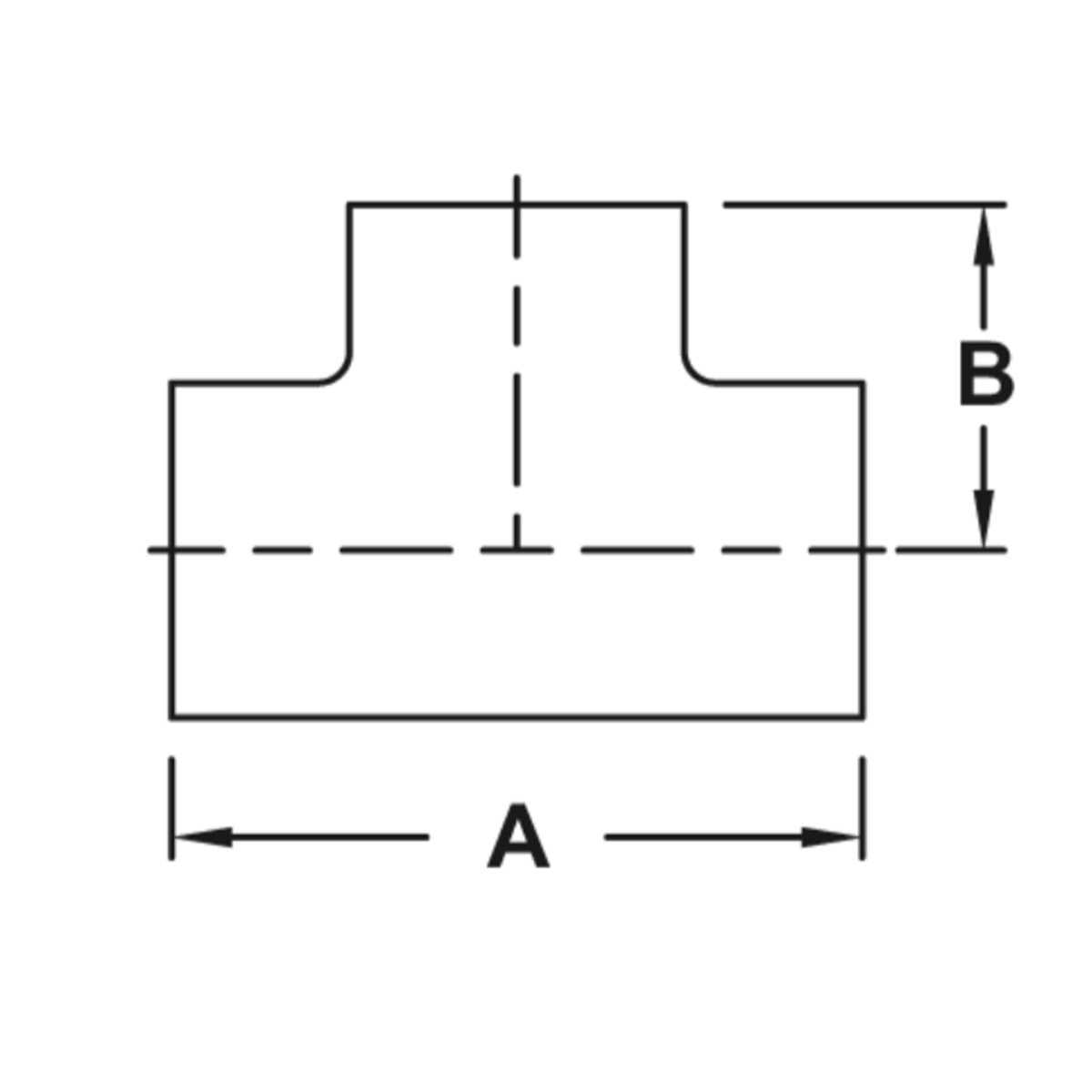
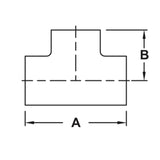
Description
Description
Other sizes are available upon request. Please call with any inquiries.
Please note: mill certificates are not available for clearance items.
Manuals
Manuals
No manual available for download.