Description
Description
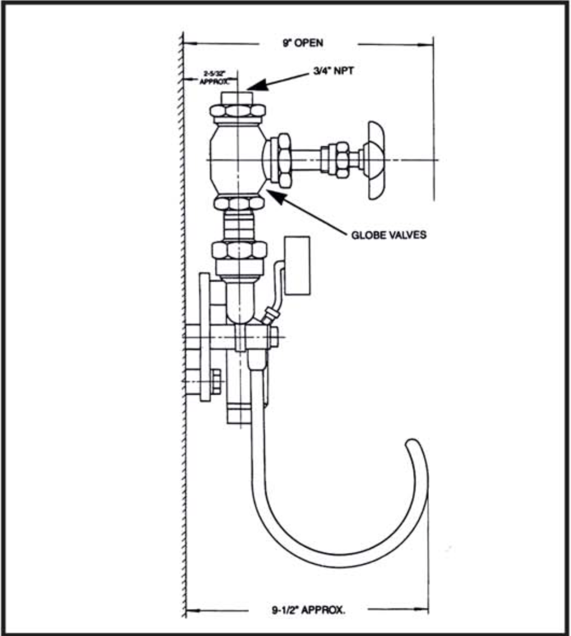
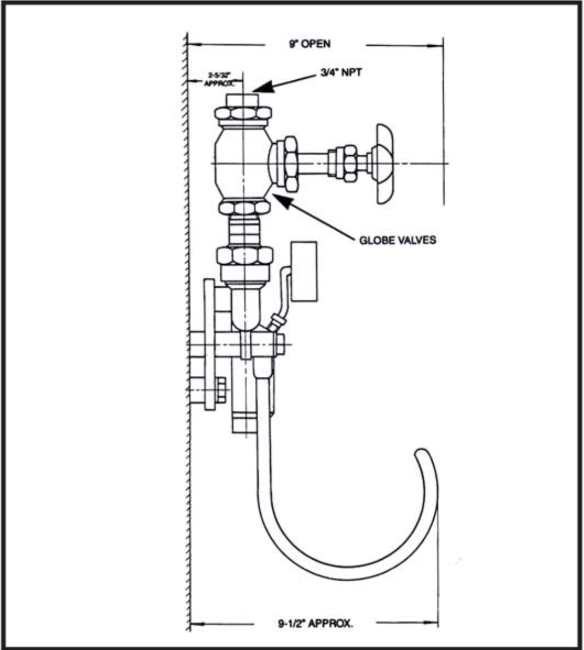
SuperKlean's hot & cold water mixing unit was specifically designed for thoroughly blending hot and cold water instantly by mixing supplied hot water with cold water to achieve the required temperature output. The unit uses "Y" style body mechanics with lift check valves and ball joint unions for superior flexibility during installation. SuperKlean's inlet center lines have the same dimensions as most of our competitors' units. Our units come with a mounting plate for easy behind-the-unit cleanup, a hose rack for easy user access to the hose, and an optional temperature gauge for accurate temperature readings at the outlet.
Specifications:
- Inlet/Outlet: 3/4" NPT
- Mixer Body: Brass / 304 Stainless
- Globe Valves: Brass / 304 Stainless Steel
- Ball Valves: Brass / 304 Stainless Steel
- Check Valves: Brass / 304 Stainless Steel
- Temperature Gauge: 304 Stainless Steel
- Maximum Pressure: 150 PSI
- Maximum temperature: 200°F (93°C)
- Weight 16-22 lbs (depending on unit)
Manuals
Manuals
No manual available for download.









